ASME B18.2.3.9M 重量六角頭フランジボルト
製品: ASME B18.2.3.9M 重量六角頭フランジボルト
プロパティクラス:4.6、4.8、5.6、5.8、8.8、10.9、12.9、
A2-70、A4-70、A4-80
仕上げ:亜鉛メッキ(黄亜鉛、亜鉛青、リンスカラー)、黒色、リン酸塩・油、リン酸亜鉛、溶融亜鉛メッキ(HDG)、ダクロメット、ジオメット
材質:スチール
輸出国: 米国、日本、オーストラリア、ヨーロッパなど
顧客のカスタマイズをサポート
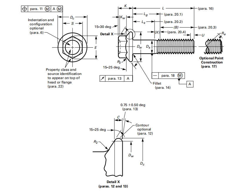
ASME/ANSI B18.2.3.9M ヘビー六角フランジ ボルトは、頑丈な六角頭とフランジ面を備えたメートル規格のボルトです。ボルトのサイズはM5からM20まであり、ネジの直径の大きさを表します。ボルトの長さ (b) は要件に応じて異なり、重い設計によりボルトはより大きな荷重とトルクに耐えることができます。六角頭のデザインなので、レンチやドライバーで締めたり緩めたりするのに便利です。フランジ面の設計により、ボルトと接続部の間の接触面積が増加し、接続の安定性と密閉性が向上します。 ASME/ANSI B18.2.3.9M 重量六角フランジボルトは、機械工学、建設、橋梁、車両、その他の分野など、高強度で安定した接続が必要なさまざまな場面で広く使用されています。このボルトは、SAE J1199、ASTM F568M、F738M、F468M などの複数の規格と互換性があります。
ピクチャー
製品図
製品仕様書
サイズ |
M5 |
M6 |
M8 |
M10 |
M12 |
M14 |
M16 |
M20 |
|
P |
0.8 |
1.0 |
1.25 |
1.5 |
1.75 |
2.0 |
2.0 |
2.5 |
|
わ |
最大 |
9.25 |
11.56 |
2月15日 |
17.33 |
20.79 |
24.26 |
27.72 |
34.65 |
分 |
9.24 |
11.55 |
15.01 |
17.32 |
20.78 |
24.25 |
27.71 |
36.64 |
|
タ |
最大 |
2.40 |
2.70 |
3.60 |
4.60 |
5.20 |
6.30 |
7.10 |
8.80 |
分 |
2.39 |
2.69 |
3.59 |
4.59 |
5.19 |
6.29 |
7.09 |
8.79 |
|
Wb |
最大 |
8.55 |
10.79 |
7月14日 |
16.31 |
19.67 |
22.57 |
25.93 |
32.65 |
分 |
8.54 |
10.78 |
6月14日 |
16.30 |
19.66 |
22.56 |
25.92 |
32.64 |
|
Tb分 |
3.0 |
3.0 |
4.0 |
4.0 |
5.0 |
5.0 |
6.0 |
6.0 |
|
Ds |
最大 |
5.0 |
6.0 |
5.0 |
10.0 |
12.0 |
14.0 |
16.0 |
20.0 |
分 |
4.82 |
5.82 |
7.78 |
9.78 |
11.73 |
13.73 |
15.73 |
19.67 |
|
S |
最大 |
8.0 |
10.0 |
13.0 |
15.0 |
18.0 |
21.0 |
24.0 |
30.0 |
分 |
7.64 |
9.64 |
12.57 |
14.57 |
17.57 |
20.16 |
23.16 |
29.16 |
|
E |
最大 |
9.24 |
11.55 |
15.01 |
17.32 |
20.78 |
24.25 |
27.71 |
36.64 |
分 |
8.56 |
10.8 |
14.08 |
16.32 |
19.68 |
22.58 |
25.94 |
32.66 |
|
直流最大値 |
11.8 |
14.2 |
18.0 |
22.3 |
26.6 |
30.5 |
35.0 |
43.0 |
|
最小長さ |
9.8 |
12.2 |
15.8 |
19.6 |
23.8 |
27.6 |
31.9 |
39.9 |
|
C分 |
1.0 |
1.1 |
1.25 |
1.5 |
1.8 |
2.1 |
2.4 |
3.0 |
|
Kmax |
5.8 |
6.6 |
8.1 |
10.4 |
11.8 |
13.73 |
15.4 |
18.9 |
|
Kw 分 |
2.40 |
2.7 |
3.60 |
4.60 |
5.20 |
6.30 |
7.10 |
8.80 |
|
R2最大 |
0.3 |
0.4 |
0.5 |
0.6 |
0.7 |
0.9 |
1.0 |
1.2 |
|
顧客のカスタマイズをサポート |
|||||||||
当社についてのいくつかの紹介
応用
Jinan Star Company はファスナー製品の生産を専門としています。当社のボルト、ナット等の製品は、機械、鉄道、自動車、建設、電気、橋梁、通信、消防等の業界で幅広く使用されております。
ワークショップ
済南スターファスナー有限公司の工場は、先進的な生産設備を備えた同社の生産と製造の中核エリアです。合理的なワークショップのレイアウトと科学的な生産プロセスにより、ファスナー製品の効率的な生産と高品質の生産が保証されます。
認証
済南スターファスナー有限公司は、各部門のリーダーによる科学的な管理とボルトおよびその他のファスナーの高品質の追求により、2015年版ISO9001品質管理システム認証を取得しました。さらに、Star Company が所有する研究所は 2017 年に認証を取得しました。2018 年に国家 CNAS 認証に合格し、2018 年に欧州の CE 認証に合格しました。
試験装置
済南スターファスナー社は製品の品質を非常に重視しており、引張試験機、トルク試験機、金属顕微鏡、光学投影機、塩水噴霧試験室、膜厚計などの完全な品質検査設備を備えています。ファスナー製品の引張強度と伸びを試験し、製品の機械的特性を評価します。これらの機器により、原材料から最終製品に至るまでのあらゆる段階で品質が厳密に管理されます。
生産設備
さまざまな顧客のニーズを満たすために、同社はマルチステーション冷間圧造機、ねじ転造装置、熱処理装置、ショットブラスト機、サンドブラスト機、電気めっきラインなどの一連の高度な生産設備を導入しています。表面処理装置、全自動包装装置。これらの設備は生産効率を向上させるだけでなく、製品の品質の一貫性と安定性を確保します。
パッキング
サービス
1. 60 年の経験 お客様の問題を解決する完璧な締結ソリューション: 豊富な部品の選択肢。
2. 最適なファスナーのカスタマイズ: 提供されたサンプルと図面に基づいてサービスをカスタマイズします。
3. 費用対効果が高い: 専門工場から提供される幅広い部品を競争力のある価格で提供します。
4. 品質保証:耐久性テストと重要な科学的スケッチにより、ファスナーの耐用年数が延長されます。
5.専門メーカー:当社のファスナーはすべて、お客様の仕様と性能に従って設計および製造されています。
よくある質問
1. 信じてもいいですか?
当社はファスナー製品の生産を専門とし、当社の製品はオーストラリア、日本、ドイツ、その他の国に輸出されています。同時に、私たちはさまざまなメーカーと友好的かつ長期的な協力関係を維持しています。
2.納期はどれくらいですか?
一般的に、製品に在庫がある場合は 2 ~ 5 日以内に発送できます。数量が 1 ~ 2 コンテナの場合は 18 ~ 25 日、数量が 2 コンテナ以上の場合は 18 ~ 25 日かかります。非常に緊急の場合、工場を優先して製品を生産することができます。 /サンプル4日。ご注文の場合は、ご注文数量に応じて異なります。3.梱包は何ですか?
カートンにお客様のロゴを印刷することができます。または、消費者のニーズに応じてカートンをカスタマイズします。
4. あなたの工場を訪問できますか?
もちろん。いつでも私たちの工場を訪問することを歓迎します。空港または駅までお迎えに上がりますので、ご来店前にスケジュールをお知らせください。
















