カップヘッドスクエアネックボルト

1。ISO 8677カップヘッドスクエアネックボルトが大きいヘッドプロダクトグレードC

2.コースボルトメーカー、独自の工場:価格優位性を備えて、仲介業者の価格差を排除します。

3.業界の最高品質の肥厚鋼、高い安定性、長期にわたる耐久性を採用しています。

4.顧客のカスタマイズをサポートします。

5.プロフェッショナルセールスおよびアフターセールスサービス、いつでもお問い合わせください。

6.時間通りに配信。


製品詳細

フランジ付きメトリックボルトの種類

  1. 鋸歯状のフランジ付きメトリックボルト
    これらは、フランジの下で材料に噛み付くためのラジアルセレーションを特徴としており、振動下での緩みに対する耐性が大きくなります。

  2. 非侵典フランジ付きメトリックボルト
    フランジの下で滑らかで、表面保護が重要な用途に最適です。

  3. 完全にねじられたものと部分的にねじです
    完全にねじを選択しますフランジ付きメトリックボルト薄い材料と最大のエンゲージメント、またはより高いせん断強度のための部分的にねじれたタイプ。

  4. 異なるグレード
    必要な強度に応じて、8.8、10.9、12.9などのプロパティクラスで利用できます。


右のフランジ付きメトリックボルトを選択します

選択するときフランジ付きメトリックボルト、以下を考えてみましょう。

  • ボルトの長さと直径:材料の厚さと種類に基づいています。

  • スレッドピッチ:対応するナットまたはネジ付き穴との互換性を確保します。

  • 素材と仕上げ:屋外または海洋使用のための耐腐食性オプションを選択します。

  • セレーション要件:高い振動のために鋸歯状。より滑らかな仕上げのために非侵食。

次元および強度の仕様の関連するISOまたはDIN標準を常に参照してくださいフランジ付きメトリックボルト


結論

フランジ付きメトリックボルト強度、安定性、効率的な負荷分布が不可欠な優れた固定ソリューションです。ビルトインフランジは、振動抵抗の改善から簡略化された設置からの多くの利点を提供し、自動車、産業、建設部門全体で理想的なものを作ります。信頼できるパフォーマンスと一貫した品質で、フランジ付きメトリックボルト高性能留め具システムの選択肢です。


トップグレードを探していますフランジ付きメトリックボルトバルクまたはカスタムサイズで?プロジェクトのニーズに合わせた技術的なガイダンスと競争力のある価格設定については、お問い合わせください。

您说:
カップヘッドスクエアネックボルト、给出高质量英文内容、关键词密度4%
chatgpt说:

これがそうです高品質の英語コンテンツのためにカップヘッドスクエアネックボルト、with4%キーワード密度強力なSEOパフォーマンスのため:

カップヘッドスクエアネックボルト:木材と金属のための安全で滑らかな固定

カップヘッドスクエアネックボルト滑らかで丸い頭と回転防止の正方形の首に認識されている広く使用されているファスナーです。これらのボルトは、きれいな仕上げと安全なフィット感が不可欠な木製および金属構造に最適です。彼らのデザインのおかげで、カップヘッドスクエアネックボルト優れたグリップと改ざん抵抗を提供し、建設、フェンシング、および一般的な構造用途に信頼できる選択肢となります。

DIYプロジェクトに取り組んでいるのか、商業ビルドに取り組んでいても、カップヘッドスクエアネックボルト長期にわたる耐久性ときちんとした美学を提供します。

カップヘッドスクエアネックボルトとは何ですか?

カップヘッドスクエアネックボルト、しばしばキャリッジボルトと呼ばれる、特徴aドーム(カップ型)頭そしてa正方形の首頭の真下。正方形または事前にドリルした穴に挿入すると、首は材料に閉じ込められ、ナットが締められている間にボルトが回転しないようにします。

カップヘッドスクエアネックボルトの主要な機能は次のとおりです。

  • 丸いカップヘッド:安全で視覚的に魅力的なスムーズな仕上げ。

  • 正方形の首:しっかりとした滑り止めのフィット感のための設置中の回転を防ぎます。

  • ねじ付きシャンク:安全な留め具を提供するために、ナットとワッシャーと互換性があります。

  • 複数の仕上げ:さまざまな環境ニーズのために、亜鉛メッキ、ステンレス鋼、黒い酸化物オプションで利用できます。

機能的なデザインと改ざん耐性品質カップヘッドスクエアネックボルト強度と外観の両方が重要なアプリケーションに最適にします。

カップヘッドスクエアネックボルトの利点

  1. 回転防止
    の正方形の首カップヘッドスクエアネックボルト木材や金属にロックし、ナットを締めながらボルトが回転するのを防ぎます。

  2. 清潔で安全な外観
    の滑らかでドーム型の頭カップヘッドスクエアネックボルト鋭いエッジをなくし、怪我のリスクを減らし、露出した表面のきれいな外観を提供します。

  3. 汎用性の高い使用
    建設、木工、屋外構造、金属アセンブリ全体で使用されます。カップヘッドスクエアネックボルトさまざまな固定タスクに適応します。

  4. 錆と腐食抵抗
    ガルバン化またはステンレス鋼で製造された場合、カップヘッドスクエアネックボルト湿気や屋外の環境での腐食に対する優れた抵抗を提供します。

  5. 改ざん耐性デザイン
    ボルトヘッドにはドライブの凹部がないので、カップヘッドスクエアネックボルトナットにアクセスせずに除去することは困難であり、セキュリティの追加層を提供します。

カップヘッドスクエアネックボルトのアプリケーション

  • 木材建設:デッキや小屋のビーム、投稿、フレームを結合するのに最適です。

  • フェンシングとゲート:木製のパネルとゲートヒンジの接続に一般的に使用されます。

  • 遊び場機器:丸い頭は、子供がいる地域の安全性を保証します。

  • 家具アセンブリ:素朴なまたは頑丈な木製家具プロジェクトに最適です。

  • 農業および屋外での使用:納屋、フェンシング、および天候にさらされた構造に適しています。

構造的サポートから審美的な仕上げまで、カップヘッドスクエアネックボルトすべてのアプリケーションで信頼できるパフォーマンスを提供します。


カップヘッドスクエアネックボルトの使用方法

  1. クリアランスホールをドリルします
    必要に応じて正方形の凹部で、穴がボルトのシャンクよりわずかに大きいことを確認してください。

  2. ボルトを挿入します
    プッシュしますカップヘッドスクエアネックボルト素材を通して。正方形の首は、ボルトを所定の位置にロックするために材料に埋め込む必要があります。

  3. 洗濯機とナットを塗ります
    反対側には、洗濯機の後にナットが続きます。レンチまたはスパナで締め始めます。

  4. アセンブリを確保します
    ナットを締めると、正方形の首がしっかりと保持され、ボルトが回転するのを防ぎ、ぴったりとフィットします。

右カップヘッドスクエアネックボルトを選択します

選択するときカップヘッドスクエアネックボルト、以下を考えてみましょう。

  • 材料:屋外の耐久性のために、ステンレス鋼またはホットディップ亜鉛めっきボルトを使用します。

  • 長さと直径:材料の厚さと構造荷重に基づいてサイズを選択します。

  • スレッドタイプ:対応するナットと目的のトルクとの互換性を確保します。

  • 仕上げる:ボルトの仕上げを環境および美的要件と一致させます。

カップヘッドスクエアネックボルト長年の安全で心配のないパフォーマンスを提供します。

結論

カップヘッドスクエアネックボルト強度、安全性、洗練されたデザインを1つの非常に用途の広いファスナーに組み合わせます。彼らのドームヘッドは滑らかで完成した外観を提供し、一方、正方形の首は、緩みや回転に抵抗する企業のホールドを保証します。木材、金属、またはハイブリッド構造のいずれであっても、カップヘッドスクエアネックボルト耐久性のあるプロフェッショナルグレードのビルドに不可欠なコンポーネントです。


写真

カップヘッドスクエアネックボルトISO 8677カップヘッドスクエアネックボルトISO 8677カップヘッドスクエアネックボルトISO 8677カップヘッドスクエアネックボルトISO 8677

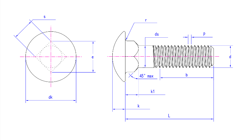
製品図面

カップヘッドスクエアネックボルトISO 8677

製品仕様


サイズ

M5

m6

M8

M10

M12

M16

M20

p

0.8

1

1.25

1.5

1.75

2

2.5

e min

5.9

7.2

9.6

12.2

14.7

19.9

24.9

DK

マックス

13

16

20

24

30

38

46

11.9

14.9

18.7

22.7

28.7

36.4

44.4

DS

マックス

5.48

6.48

8.58

10.58

12.7

16.7

20.84

4.48

5.35

7.19

9.03

10.86

14.70

18.38

k

マックス

3.1

3.6

4.8

5.8

6.8

8.9

10.9

2.5

3

4

5

6

8

10

K1

2.9

3.4

4.4

5.4

7.2

11.1

14.1

マックス

4.1

4.6

5.6

6.6

8.8

12.9

15.9

s

マックス

5.48

6.48

8.58

10.58

12.7

16.7

20.84

4.52

5.52

7.42

9.42

11.3

15.3

19.16

Rマックス

0.4

0.5

0.8

0.8

1.2

1.2

1.6

顧客のカスタマイズをサポートします



メッセージを残してください

関連製品

x

人気の商品

x
x